



KHB3K高壓三通球閥
KHB3K高壓三通球閥有T型和L型。T型能使三條正交的管道相互聯通和切斷第三條通道,起分流、合流作用。L型只能連接相互正交的兩條管道,不能同時保持第三條管道的相互連通,只起分配作用。
| 產品名稱: | 高壓三通球閥 | 產品型號: | KHB3K |
| 公稱通徑: | DN6~DN50 | 結構形式: | 球形 |
| 公稱壓力: | 1.6Mpa~32.0Mpa | 連接方式: | 法蘭、內螺紋、外螺紋 |
| 適用溫度: | ≤170ºC | 驅動方式: | 手動、電動、氣動 |
| 閥體材質: | 鑄鋼、不銹鋼 | 制造標準: | 國標GB、德國DIN、美國API、ANSI |
| 適用介質: | 水、油、氣體、液體 | 生產廠家: | 上海凱利科閥門有限公司 |




|
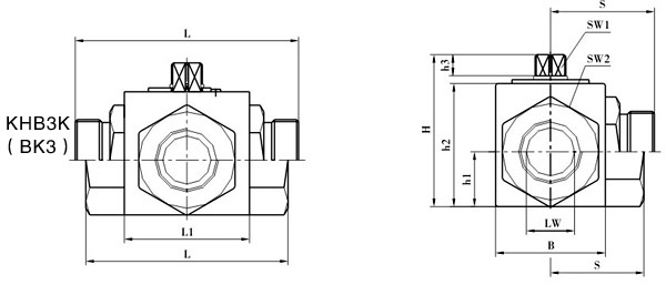
簡略型號 |
PN(bar) |
DN |
LW |
RA |
d1 |
i |
L |
L1 |
B |
H |
h1 |
h2 |
h3 |
SW1 |
SW2 |
S |
|
KHB3K-M16×1.5 |
500 |
06 |
06 |
11 |
M16×1.5 |
11 |
69 |
40 |
26 |
45 |
13.5 |
33 |
8 |
09 |
22 |
27.5 |
|
KHB3K-M22×1.5 |
500 |
08 |
08 |
16 |
M22×1.5 |
12 |
76 |
42 |
32 |
49 |
16 |
36 |
10 |
09 |
27 |
33 |
|
KHB3K-M27×1.5 |
500 |
10 |
10 |
20 |
M27×1.5 |
12 |
76 |
42 |
32 |
49 |
16 |
36 |
10 |
09 |
27 |
33 |
|
KHB3K-M30×1.5 |
400 |
16 |
15 |
24 |
M30×1.5 |
13 |
84 |
48 |
38 |
61 |
19 |
45 |
11 |
09 |
32 |
37 |
|
KHB3K-M36×2 |
315 |
20 |
20 |
30 |
M36×2 |
15 |
103 |
60 |
48 |
70 |
25 |
55 |
11 |
12 |
41 |
45.5 |
|
KHB3K-M42×2 |
315 |
25 |
23 |
35 |
M42×2 |
18 |
116 |
65 |
57 |
79 |
28.5 |
64 |
11 |
12 |
50 |
54 |
|
KHB3K-M52×2 |
315 |
32 |
32 |
40 |
M52×2 |
20 |
149 |
84 |
75 |
101 |
37.5 |
84 |
12 |
14 |
60 |
70 |
|
KHB3K-M60×2 |
315 |
40 |
38 |
45 |
M60×2 |
22 |
174 |
91 |
85 |
112 |
42.5 |
95 |
12 |
14 |
70 |
84 |

|
簡略型號 |
PN(bar) |
DN |
LW |
RA |
d1 |
i |
L |
L1 |
B |
H |
h1 |
h2 |
h3 |
SW1 |
SW2 |
S |
|
KHB3K-G1/8 |
500 |
04 |
06 |
/ |
G1/8 |
10 |
69 |
40 |
26 |
45 |
13.5 |
33 |
8 |
09 |
22 |
35 |
|
KHB3K-G1/4 |
500 |
06 |
06 |
/ |
G1/4 |
14 |
69 |
40 |
26 |
45 |
13.5 |
33 |
8 |
09 |
22 |
35 |
|
KHB3K-G3/8 |
500 |
10 |
10 |
/ |
G3/8 |
14 |
72 |
42 |
32 |
49 |
16 |
36 |
10 |
09 |
27 |
36 |
|
KHB3K-G1/2 |
500 |
13 |
12 |
/ |
G1/2 |
16 |
83 |
48 |
35 |
49 |
17 |
40 |
10 |
09 |
30 |
40 |
|
KHB3K-G1/2 |
400 |
16 |
15 |
/ |
G1/2 |
16 |
83 |
48 |
38 |
61 |
19 |
45 |
11 |
09 |
32 |
42 |
|
KHB3K-G3/4 |
315 |
20 |
20 |
/ |
G3/4 |
18 |
95 |
60 |
48 |
70 |
25 |
55 |
11 |
12 |
41 |
49 |
|
KHB3K-G1 |
315 |
25 |
25 |
/ |
G1 |
21 |
113 |
65 |
57 |
79 |
28.5 |
64 |
11 |
12 |
50 |
56.5 |
|
KHB3K-G 11/4 |
315 |
32 |
32 |
/ |
G 11/4 |
22 |
110 |
84 |
75 |
101 |
37.5 |
84 |
12 |
14 |
60 |
62.5 |
|
KHB3K-G 11/2 |
315 |
40 |
38 |
/ |
G 11/2 |
24 |
130 |
91 |
85 |
112 |
42.5 |
95 |
12 |
14 |
70 |
61 |
|
KHB3K-G2 |
315 |
50 |
48 |
/ |
G2 |
26 |
140 |
100 |
105 |
131 |
52.5 |
112 |
12 |
14 |
80 |
62.5 |

|
簡略型號 |
PN(bar) |
DN |
LW |
RA |
d1 |
i |
L |
L1 |
B |
H |
h1 |
h2 |
h3 |
SW1 |
SW2 |
S |
|
KHB3K-NPT1/8 |
500 |
04 |
06 |
/ |
NPT1/8 |
10 |
69 |
40 |
26 |
45 |
13.5 |
33 |
8 |
09 |
22 |
35 |
|
KHB3K-NPT1/4 |
500 |
06 |
06 |
/ |
NPT1/4 |
14 |
69 |
40 |
26 |
45 |
13.5 |
33 |
8 |
09 |
22 |
35 |
|
KHB3K-NPT3/8 |
500 |
10 |
10 |
/ |
NPT3/8 |
14 |
72 |
42 |
32 |
49 |
16 |
36 |
10 |
09 |
27 |
36 |
|
KHB3K-NPT1/2 |
500 |
13 |
12 |
/ |
NPT1/2 |
16 |
83 |
48 |
35 |
49 |
17 |
40 |
10 |
09 |
30 |
40 |
|
KHB3K-NPT1/2 |
400 |
16 |
15 |
/ |
NPT1/2 |
16 |
83 |
48 |
38 |
61 |
19 |
45 |
11 |
09 |
32 |
42 |
|
KHB3K-NPT3/4 |
315 |
20 |
20 |
/ |
NPT3/4 |
18 |
95 |
60 |
48 |
70 |
25 |
55 |
11 |
12 |
41 |
49 |
|
KHB3K-NPT1 |
315 |
25 |
25 |
/ |
NPT1 |
21 |
113 |
65 |
57 |
79 |
28.5 |
64 |
11 |
12 |
50 |
56.5 |
|
KHB3K-NPT 11/4 |
315 |
32 |
32 |
/ |
NPT 11/4 |
22 |
110 |
84 |
75 |
101 |
37.5 |
84 |
12 |
14 |
60 |
62.5 |
|
KHB3K-NPT 11/2 |
315 |
40 |
38 |
/ |
NPT 11/2 |
24 |
130 |
91 |
85 |
112 |
42.5 |
95 |
12 |
14 |
70 |
61 |
|
KHB3K-NPT2 |
315 |
50 |
48 |
/ |
NPT2 |
26 |
140 |
100 |
105 |
131 |
52.5 |
112 |
12 |
14 |
80 |
62.5 |
聲明:【KHB3K高壓三通球閥】規格型號、結構尺寸由上海凱利科閥門有限公司提供,如何選擇適用的KHB3K高壓三通球閥產品,使之在工藝控制中安全可靠、經濟適用,可致電我司銷售部門及技術部門,我們將在最短的時間內為您解答! |